
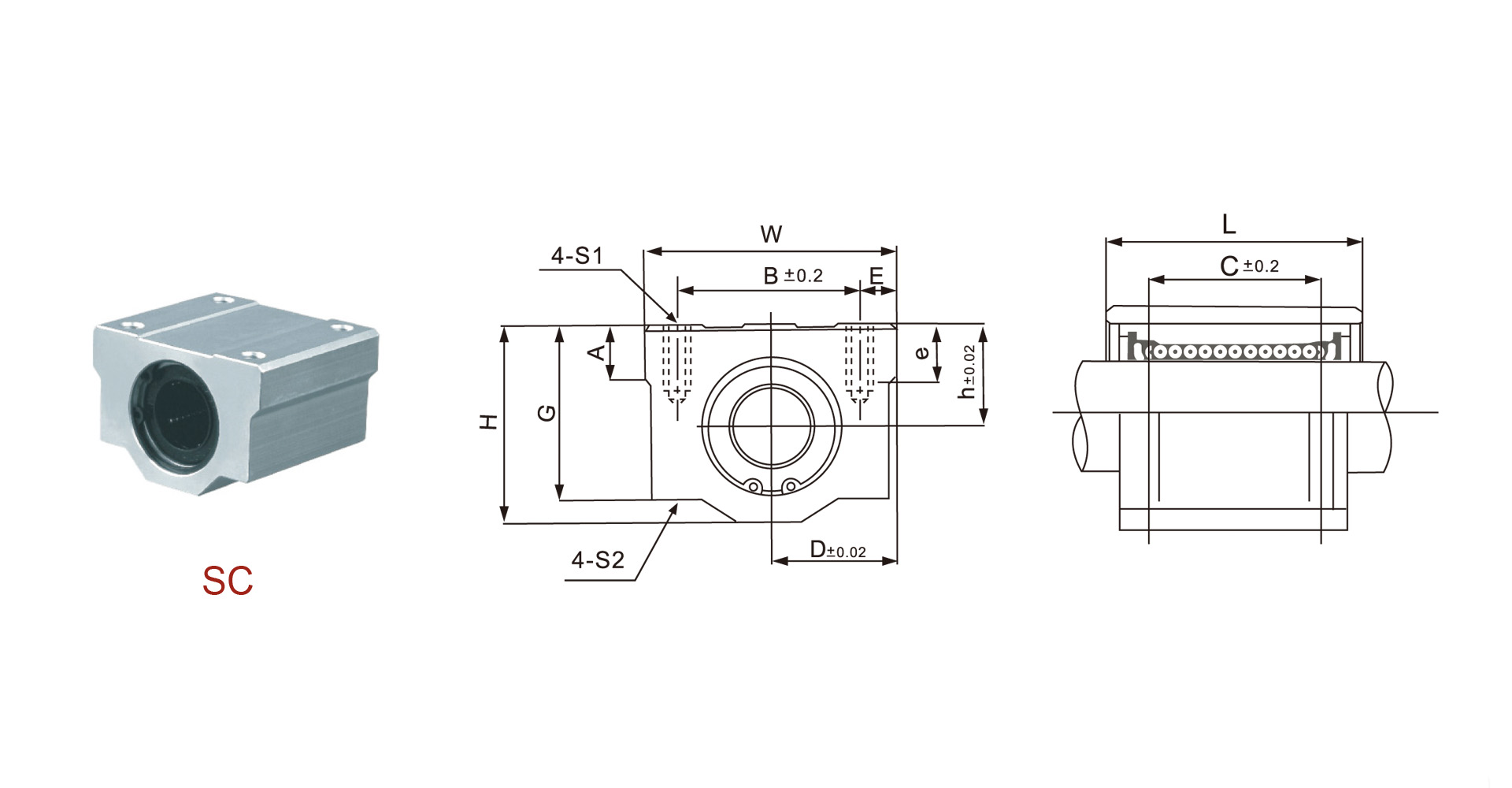
Data Sheet of Linear Bearings SC Series

| Part No. | Main Dimensions (mm) | Basic Load Rating CN | Basic Load Rating CoN | Weight (g) | |||||||||||
| h | D | W | H | G | A | B | E | Slxe | S2 | C | L | ||||
| SC8UU | 11 | 17 | 34 | 22 | 18 | 6 | 24 | 5 | M4X8 | 3.4 | 18 | 30 | 274 | 392 | 52 |
| SC10UU | 13 | 20 | 40 | 26 | 21 | 8 | 28 | 6 | M5X12 | 4.3 | 21 | 35 | 372 | 549 | 92 |
| SC12UU | 15 | 21 | 42 | 28 | 24 | 8 | 30.5 | 5.75 | M5X12 | 4.3 | 26 | 36 | 510 | 784 | 102 |
| SC13UU | 15 | 22 | 44 | 30 | 24.5 | 8 | 33 | 5.5 | M5X12 | 4.3 | 26 | 39 | 510 | 784 | 120 |
| SC16UU | 19 | 25 | 50 | 38.5 | 32.5 | 9 | 36 | 7 | M5X12 | 4.3 | 34 | 44 | 774 | 1180 | 200 |
| SC20UU | 21 | 27 | 54 | 41 | 35 | 11 | 40 | 7 | M6X12 | 5.2 | 40 | 50 | 882 | 1370 | 255 |
| SC25UU | 26 | 38 | 76 | 51.5 | 42 | 12 | 54 | 11 | M8X18 | 7 | 50 | 67 | 980 | 1570 | 600 |
| SC30UU | 30 | 39 | 78 | 59.5 | 49 | 15 | 58 | 10 | M8X18 | 7 | 58 | 72 | 1574 | 2740 | 735 |
| SC35UU | 34 | 45 | 90 | 68 | 54 | 18 | 70 | 10 | M8X18 | 7 | 60 | 80 | 1670 | 3140 | 1100 |
| SC40UU | 40 | 51 | 102 | 7862 | 62 | 20 | 80 | 11 | M10X25 | 8.7 | 60 | 90 | 2160 | 4020 | 1590 |
| SC50UU | 52 | 61 | U2 | 102 | 80 | 25 | 100 | 11 | M10X25 | 8.7 | 80 | 110 | 3820 | 7940 | 3340 |
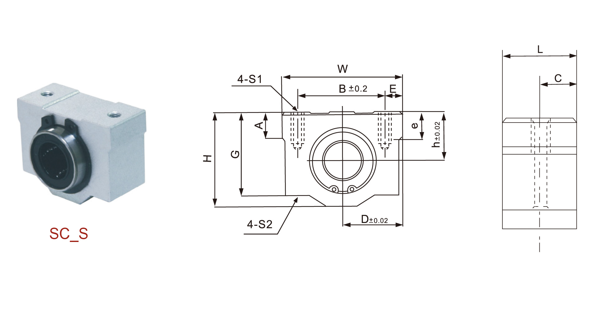
Data Sheet of Linear Bearings SC_S Series

| Part No. | Main Dimensions (mm) | Basic Load Rating CN | Basic Load Rating CoN | Weight (g) | |||||||||||
| h | D | W | H | G | A | B | E | Slxe | S2 | c | L | ||||
| SC8SUU | 11 | 17 | 34 | 22 | 18 | 6 | 24 | 5 | M4X8 | 3.4 | 7.7 | 15.4 | 274 | 392 | 27 |
| SC10SUU | 13 | 20 | 40 | 26 | 21 | 8 | 28 | 6 | M5X12 | 4.3 | 9.95 | 19.9 | 372 | 549 | 53 |
| SC12SUU | 15 | 21 | 42 | 28 | 24 | 8 | 30.5 | 5.75 | M5X12 | 4.3 | 10.45 | 20.9 | 510 | 784 | 60 |
| SC13SUU | 15 | 22 | 44 | 30 | 24.5 | 8 | 33 | 5.5 | M5X12 | 4.3 | 10.45 | 20.9 | 510 | 784 | 64 |
| SC16SUU | 19 | 25 | 50 | 38.5 | 32.5 | 9 | 36 | 7 | M5X12 | 4.3 | 12 | 24 | 774 | 1180 | 110 |
| SC20SUU | 21 | 27 | 54 | 41 | 35 | 11 | 40 | 7 | M6X12 | 5.2 | 14 | 28 | 882 | 1370 | 144 |
| SC25SUU | 26 | 38 | 76 | 51.5 | 42 | 12 | 54 | 11 | M8X18 | 7 | 18.9 | 37.8 | 980 | 1570 | 340 |
| SC30SUU | 30 | 39 | 78 | 59.5 | 49 | 15 | 58 | 10 | M8X18 | 7 | 20.65 | 41.3 | 1574 | 2740 | 424 |
| SC35SUU | 34 | 45 | 90 | 68 | 54 | 18 | 70 | 10 | M8X18 | 7 | 22.65 | 45.3 | 1670 | 3140 | 626 |
| SC40SUU | 40 | 51 | 102 | 78 | 62 | 20 | 80 | 11 | M10X25 | 8.7 | 28.15 | 56.3 | 2160 | 4020 | 1000 |
| SC50SUU | 52 | 61 | 122 | 102 | 80 | 25 | 100 | 11 | M10X25 | 8.7 | 34.4 | 68.8 | 3820 | 7940 | 2100 |
Data Sheet of Linear Bearings SC_L Series

| Part No. | Main Dimensions (mm) | Basic Load Rating CN | Basic Load Rating CoN | Weight (g) | ||||||||||||
| h | D | W | H | G | N | A | B | E | Slxe | S2 | C | L | ||||
| SC8LUU | 11 | 17 | 34 | 22 | 18 | 7 | 6 | 24 | 5 | M4x8 | 3.4 | 42 | 58 | 431 | 784 | 102 |
| SC10LUU | 13 | 20 | 40 | 26 | 21 | 7 | 8 | 28 | 6 | M5X12 | 4.3 | 46 | 68 | 588 | 1100 | 180 |
| SC12LUU | 15 | 21 | 42 | 28 | 24 | 6.5 | 8 | 30.5 | 5.75 | M5X12 | 4.3 | 50 | 70 | 813 | 1570 | 250 |
| SC13LUU | 15 | 22 | 44 | 30 | 24.5 | 6.5 | 8 | 33 | 5.5 | M5X12 | 4.3 | 50 | 75 | 813 | 1570 | 240 |
| SC16LUU | 19 | 25 | 50 | 38.5 | 32.5 | 6 | 9 | 36 | 7 | M5X12 | 4.3 | 60 | 85 | 1230 | 2350 | 400 |
| SC20LUU | 21 | 27 | 54 | 41 | 35 | 7 | 11 | 40 | 7 | M6X12 | 5.2 | 70 | 96 | 1410 | 2740 | 570 |
| SC25LUU | 26 | 38 | 76 | 51.5 | 42 | 4 | 12 | 54 | 11 | M8X18 | 7 | 100 | 130 | 1610 | 3140 | 1200 |
| SC3OLUU | 30 | 39 | 78 | 59.5 | 49 | 5 | 15 | 58 | 10 | M8X18 | 7 | 110 | 140 | 2450 | 5490 | 1480 |
| SC35LUU | 34 | 45 | 90 | 68 | 54 | 5.5 | 18 | 70 | 10 | M8X18 | 7 | 120 | 155 | 2650 | 6270 | 2200 |
| SC40LUU | 40 | 51 | 102 | 78 | 62 | 5 | 20 | 80 | 11 | M10X25 | 8.7 | 140 | 175 | 3430 | 8040 | 3200 |
| SC5OLUU | 52 | 61 | 122 | 102 | 80 | 5 | 25 | 100 | 11 | M10X25 | 8.7 | 160 | 215 | 6080 | 15900 | 6700 |





2.jpg)


