
Data Sheet of Linear Bearings SME Series

| Part No. | Main Dimensions (mm) | Slide Bush | Basic Load Rating C N / CoN | Weight (g) | |||||||||||
| h | D | W | L | F | T | hl | θ | B | C | Sxe | |||||
| SME16UU | 20 | 22.5 | 45 | 45 | 33 | 9 | 10 | 80° | 32 | 30 | M5x12 | LM16UU-OP | 774 | 1180 | 150 |
| SME20UU | 23 | 24 | 48 | 50 | 39 | 11 | 10 | 60° | 35 | 35 | M6x12 | LM20UU-OP | 882 | 1370 | 200 |
| SME25UU | 27 | 30 | 60 | 65 | 47 | 14 | 11.5 | 50° | 40 | 40 | M6x12 | LM25UU-OP | 980 | 1570 | 450 |
| SME30UU | 33 | 35 | 70 | 70 | 56 | 15 | 14 | 50° | 50 | 50 | M8x18 | LM30UU-OP | 1570 | 2740 | 630 |
| SME35UU | 37 | 40 | 80 | 80 | 63 | 18 | 16 | 50° | 55 | 55 | M8x18 | LM35UU-OP | 1670 | 3140 | 925 |
| SME40UU | 42 | 45 | 90 | 90 | 72 | 20 | 19 | 50° | 65 | 65 | M10x20 | LM40UU-OP | 2160 | 4020 | 1330 |
| SME50UU | 53 | 60 | 120 | 110 | 92 | 25 | 23 | 50° | 94 | 80 | M10x20 | LM50UU-OP | 3820 | 7940 | 3000
|
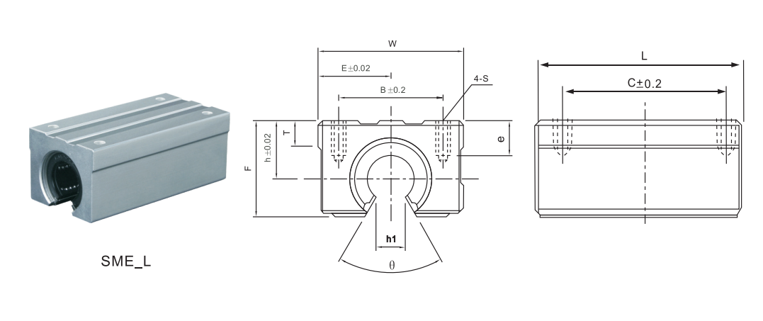
Data Sheet of Linear Bearings SME_L Series

| Part No. | Main Dimensions (mm) | Slide Bush | Basic Load Rating C N / CoN | Weight (g) | |||||||||||
| h | D | W | L | F | T | hl | θ | B | C | Sxe | |||||
| SME16LUU | 20 | 22.5 | 45 | 85 | 33 | 9 | 10 | 80° | 32 | 60 | M5x12 | LM16UU-OP×2 | 1230 | 2350 | 300 |
| SME20LUU | 23 | 24 | 48 | 95 | 39 | 11 | 10 | 60° | 35 | 70 | M6x12 | LM20UU-OP×2 | 1400 | 2740 | 400 |
| SME25LUU | 27 | 30 | 60 | 130 | 47 | 14 | 11.5 | 50° | 40 | 90 | M6x12 | LM25UU-OP×2 | 1560 | 3140 | 900 |
| SME30LUU | 33 | 35 | 70 | 140 | 56 | 15 | 14 | 50° | 50 | 100 | M8x18 | LM30UU-OP×2 | 2490 | 5490 | 1260 |








