

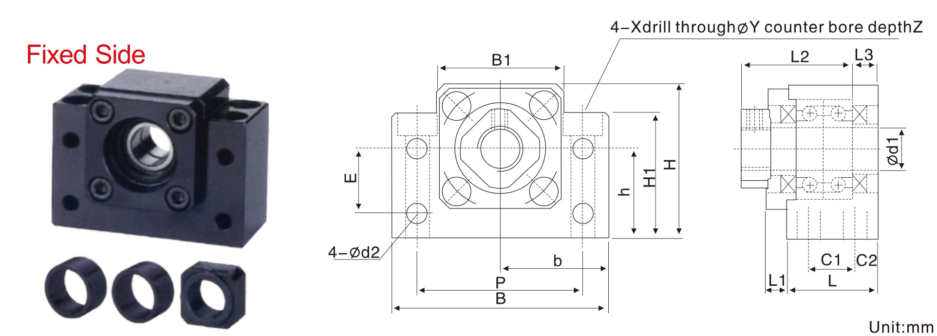
Model Number | d1 | L | L1 | L2 | L3 | C1 | C2 | B | H | b±0.02 | h±0.02 | B1 | H1 | E | P | d2 | X | Y | Z |
BK 10 | 10 | 25 | 5 | 29 | 5 | 13 | 6 | 60 | 39 | 30 | 22 | 34 | 32.5 | 15 | 46 | 5.5 | 6.6 | 10.8 | 5 |
BK 12 | 12 | 25 | 5 | 29 | 5 | 13 | 6 | 60 | 43 | 30 | 25 | 34 | 32.5 | 18 | 46 | 5.5 | 6.6 | 10.8 | 1.5 |
BK 15 | 15 | 27 | 6 | 32 | 6 | 15 | 6 | 70 | 48 | 35 | 28 | 40 | 38 | 18 | 54 | 5.5 | 6.6 | 11 | 6.5 |
BK 17 | 17 | 35 | 9 | 44 | 7 | 19 | 8 | 86 | 64 | 43 | 39 | 50 | 55 | 28 | 68 | 6.6 | 9 | 14 | 8.5 |
BK 20 | 20 | 35 | 8 | 43 | 8 | 19 | 8 | 88 | 60 | 44 | 34 | 52 | 50 | 22 | 70 | 6.6 | 9 | 14 | 8.5 |
BK 25 | 25 | 42 | 12 | 54 | 9 | 22 | 10 | 106 | 80 | 53 | 48 | 64 | 70 | 33 | 85 | 9 | 11 | 17.5 | 11 |
BK 30 | 30 | 45 | 14 | 61 | 9 | 23 | 11 | 128 | 89 | 64 | 51 | 76 | 78 | 33 | 102 | 11 | 14 | 20 | 13 |
BK 35 | 35 | 50 | 14 | 67 | 12 | 26 | 12 | 140 | 96 | 70 | 52 | 88 | 79 | 35 | 114 | 11 | 14 | 20 | 13 |
BK 40 | 40 | 61 | 18 | 76 | 15 | 33 | 14 | 160 | 110 | 80 | 60 | 100 | 90 | 37 | 130 | 14 | 18 | 26 | 17.5 |








s.jpg)